PRODUCTS

economic valve spindle motor GN1

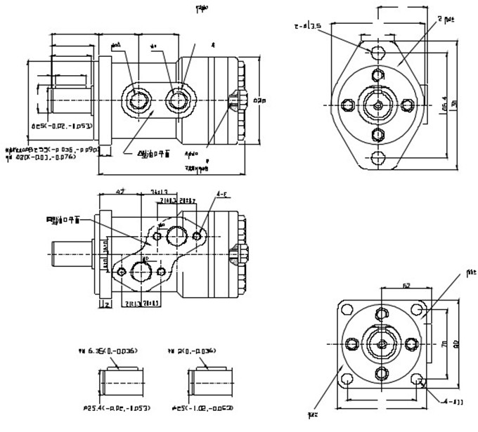
USES the shaft with whole set the rotor design, USES the import shaft seal, high back pressure to bear ability, wide flange. The output shaft. Oil installation forms such as mouth, convenient for the adjustment of the speed and direction of rotation, small size, compact structure

Please call:
+86-537-6588123

characteristic

Max work pressure means the max pressure that inlet allowed.Rated work pressure means don't use motor when speed and  pressure are all in max situation.The duration of the maximum working conditions allow oil were recommended for 6 seconds, anti-wear hydraulic oil, viscosity of 37-73 CST, oil cleanliness ISO18/13 maximum working oil temperature of 80 ° C This series of motor shaft seal component, USES the special import motors allow maximum back pressure can be up to 10 MPa, but for a good life and comprehensive mechanical properties, it is recommended to use back pressure not more than 5 MPa, more than the suggested leaked tubing leaking pipe, should guarantee can always full of oil in the motor, leaking pipe should keep 3.5 bar above a certain throttle back pressure after leaked tubing besides can keep low back pressure, but also to make wear away pollution status of the motor, and can produce certain cooling effect.


product specification

economic valve spindle motor GN1

 

economic valve spindle motor GN1

economic valve spindle motor GN1

Leave a message

×
小型挖掘机小挖掘机微型挖掘机履带运输车 小挖机
Copyright Right © 2014 www.wolwa.cn Powered By Shandong Wolwa Industrial Limited Company 鲁ICP备10206551号-6