PRODUCTS

Face with streaming GN6 cycloid hydraulic motor

High efficiency, high working pressure, low starting pressure, stable running

Please call:
+86-537-6588123

Product introduction

GN6 series motor is a kind of end face with streaming cycloid hydraulic motor. The use of advanced embedded column type stator parameter design, work with high efficiency, high working pressure, low starting pressure, stable running, two-way can obtain the same output torque. Reliable axial dynamic seal. In order to meet the needs of different structure design.

J6K has three structral type:

standaraized motor; wheeled motor; no bearing motor

Feature:

1.Advanced and reliable linkage axle design, make the motor has a long life
2.The advanced flow mechanism design, has with the characteristics of the flow of high precision and wear self-compensation
3.The motor structure is compact, easy to install.
4.Series motors allow series and parallel to use, can use when leaked oil pipe
5.The circular cone roller bearings supporting design, has the bigger radial load capacity, makes the motor can be driven directly working organs, without external bearing
6.wheel flange in the middle of the motor, the motor is a kind of more conducive to the carrying capacity of the motor, and can make the motor in wheel, structure tightly together
7.Should be avoided at the same time, at a maximum speed of maximum torque and the use of the motor.
8.Listed in the table, torque values apply to 1.75 "cone axis, 1.5" diameter allow maximum continuous output shaft torque
9.continuous torque of 1325 Nm and 1325 Nm
10. Exceeds allowed back pressure, can leak tube, and ensure the motor chamber can always filled with hydraulic oil.
11.Maximum inlet pressure for 31 MPa, but work pressure difference should comply with the above-mentioned requirements
12. 7 Mpa is the biggest oil return back pressure, but in order to ensure the motor, long life and reliable work is recommended when oil return back pressure is greater than 3.5 Mpa when the leaked oil pipe.
13.The motor stopped working duration less than 6 seconds; Peak work duration of not more than 0.6 seconds.
14.The system maximum working temperature: 82 DHS C
15. Recommended oil: anti-wear hydraulic oil, the work under the condition of not less than 13 cSt viscosity.
16.Filtration precision: ISO 18/13
17. Before the motor full load of work, should be under 30% of the rated pressure running about 1 hour, to ensure that the motor before full filled with hydraulic oil

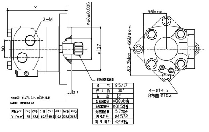
Product parameter

Face with streaming GN6 cycloid hydraulic motor

Face with streaming GN6 cycloid hydraulic motor


Leave a message

×
小型挖掘机小挖掘机微型挖掘机履带运输车 小挖机
Copyright Right © 2014 www.wolwa.cn Powered By Shandong Wolwa Industrial Limited Company 鲁ICP备10206551号-6